设为首页
|
加入收藏
|
企业位置
|
手机站
首页
关于我们
产品中心
联系我们
PRODUCT CENTER
- 品质 ·
好货
-
首页
>>
产品中心
>>
智能三相电力仪表
>>
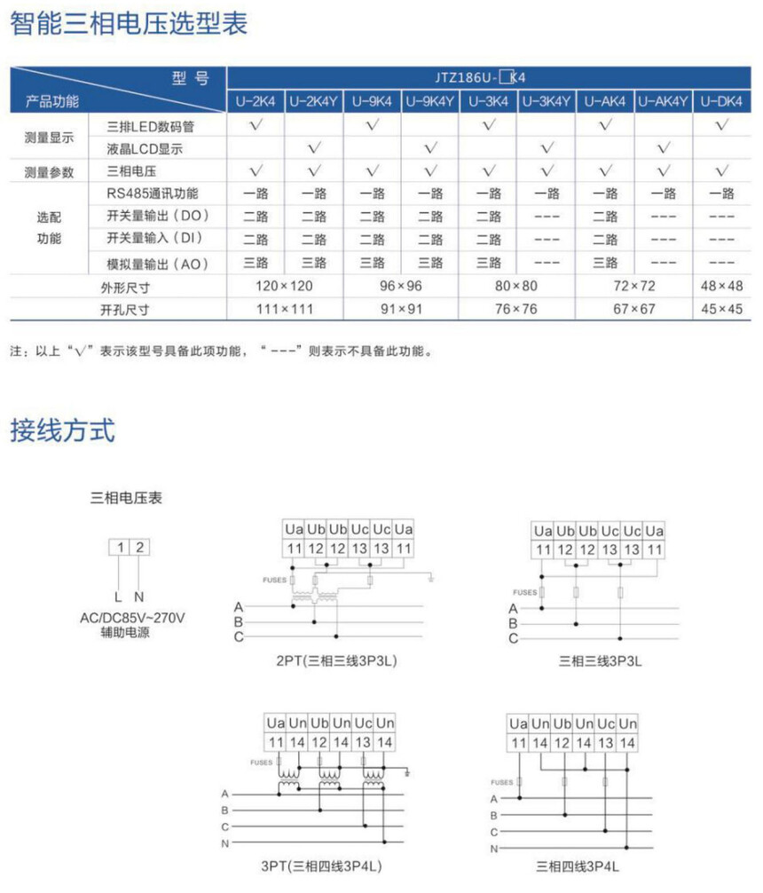
JTZ186U-2K4 智能三相电压表
详细说明
JTZ186U-2K4 智能三相电压表
暂无价格
收藏
商品说明
相关商品
JTA1861-9K4 智能三相电流表
JTS186P3-2S4 智能三相功率表
JTS186PE-2S4 智能三相功率因数表
友情链接
扫一扫浏览手机站
友情链接
更多
建站助手
搜狗
百度
阿里巴巴
爱奇艺
网易云
百度
搜狗
网易云
阿里巴巴
腾讯
爱奇艺
搜狗
网易云
百度
阿里巴巴
腾讯
爱奇艺
搜狗
网易云
lianxi
更多
联系电话:0431-87067077
地址:长春市经开区洋浦大街凯利中心D9-107
手机:13009005471 13654417425
电话直呼
0431-87067077
发送邮件
企业位置
×
账号登录
登录
忘记密码
立即注册
更多登录方式